
公司名称:宁津县成人CILICILI黄短视频APP机械设备制造有限公司
联系人:高经理
手机:13805348722
电话:0534-5232899
邮箱:2583730447@qq.com
地址:山东省宁津县工业开发区
网址: www.tyxdzy.com
带式CILICILI官网成人厂家,CILICILI短视频污污污设备,砂石场CILICILI短视频污污污机
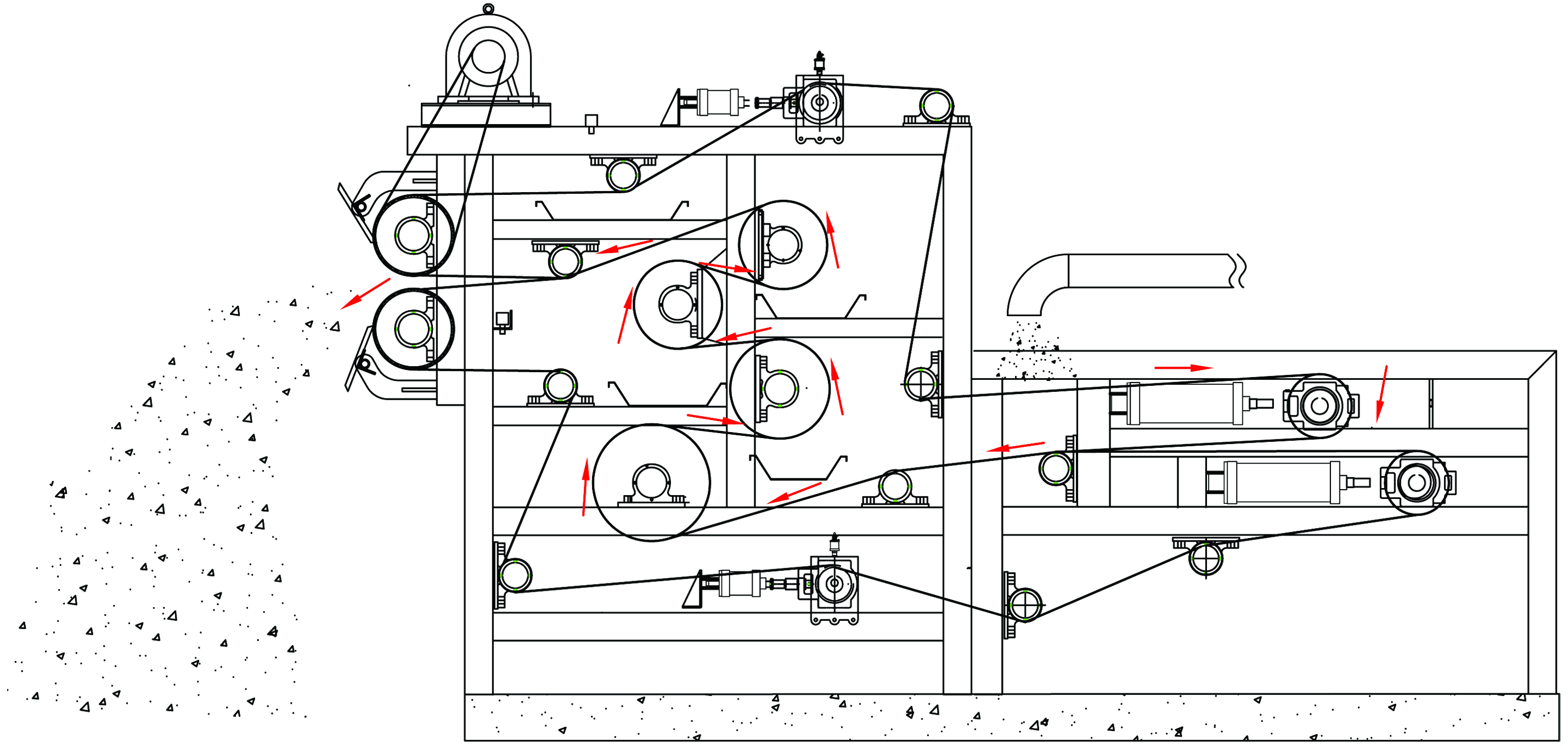
ZTDY-GQA带
式CILICILI官网成人-分体CILICILI官网成人
架构特点
本机机架此用120*80国标镀锌方管整体牢固焊接而成,表面底漆一层,面漆两层,其抗腐蚀能力可达十年以上,瓦盒座三层密封防水效果好,调心圆柱滚心轴承,球墨铸铁轴承座,滤带纠偏采用光电装置控制稳定,滤布自动冲洗装置,工人易于操作,稳定性好,故障率低。
应用范围
金属、非金属矿山尾矿脱水、砂石厂CILICILI短视频污污污,石油不落地CILICILI短视频污污污、市政管桩CILICILI短视频污污污、番茄清洗CILICILI短视频污污污、甜菜清洗CILICILI短视频污污污、洗煤CILICILI短视频污污污、钢渣处理CILICILI短视频污污污、城市生活CILICILI短视频污污污等行业的污水泥浆处理。

ZTDY-GQA型结构图
